











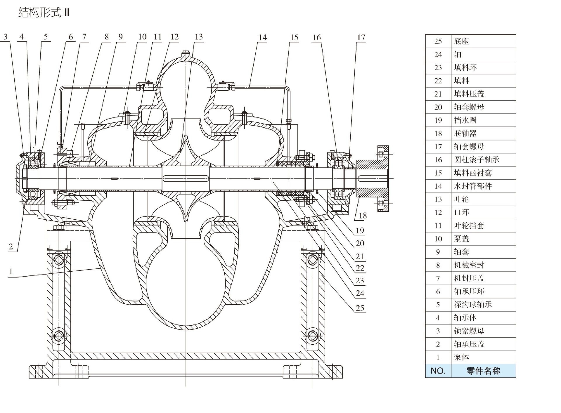
CS系列中开泵
产品概述
CS型泵系新一代高性能单级双吸水平中开式离心泵,主要适用于自来水厂空调循环用水,供热管网系统、建筑供水、灌溉、排水泵站、电厂、工业供水系统、消防系统、船舶工业、矿山给排水等领域。
参数范围: 流量Q 22~11600m3/h 扬程H 7~200m
型号说明:
如:CS250-450A
CS------新型中开泵
250-----水泵出口直径
450-----叶轮直径
A-------表示叶轮外径第一次变化,A、B、C……依次类推
CS型泵的主要技术参数:
泵出口直径DN: 80~800mm
流量 Q: 22~11600m3/h
扬程 H: 7~200m
工作温度 T: -20℃~105℃
固体颗粒: ≤80mg/L
工作许用压力: ≤2.5MPa
技术优势:
1、水泵两端支承间距短,泵运行稳定,振动噪声小,并呆适当升速运行,使水泵适应范围更广。
2、同一转子可反向运行,降低了水锤引起水泵损坏的风险。
3、独特的高温型设计,水泵采用中间支撑,加厚泵体,密封冷却、轴承稀油润滑等,使水泵可应用于高达200℃运行场合,特别适应于供热管网使用要求。
4、密封可采用机械密封或填料密封。
5、水泵外型应用工业化设计,线条清晰,符合现代审美观。
成本优势:
1、选用优异的水力模型,使泵的效率比同类型泵高2-3%,大大降低了泵的运行成本。
2、真空高度提高1-3米,从而降低低土建投资,延长了使用寿命。
3、选用进口轴承,零件材料可根据用户要求选用,使泵能适应各种现场运行条件,大大降低了维修成本。
维修优势:
1、集装式机械密封,更换机械密封成为轻松简单的工作。
2、应用弹性预应力装配,转子部件装拆简单迅速。
3、装配时不需调整各种间隙。







扫一扫咨询微信客服